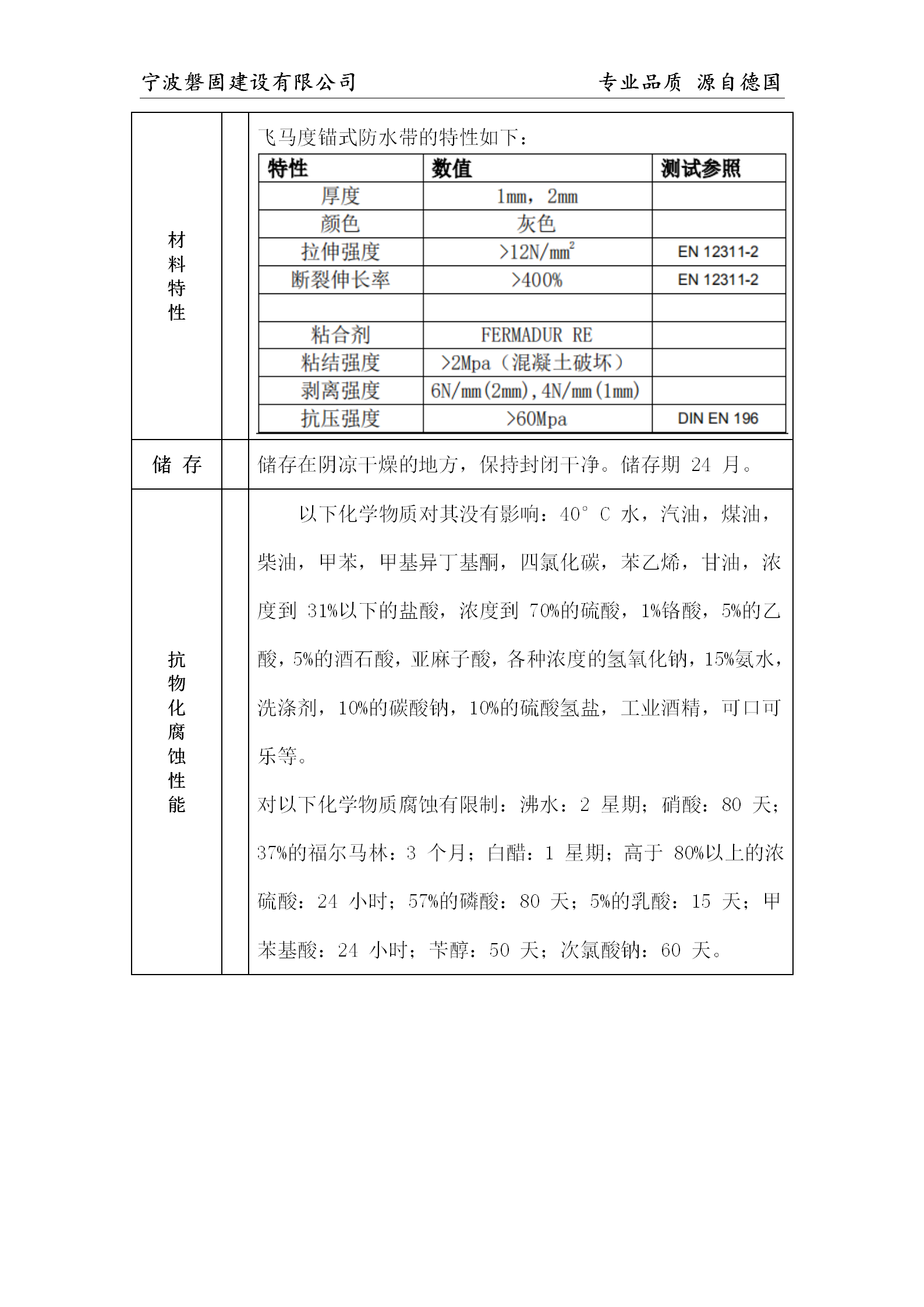
马度锚式防水带密封系统
>采用世界上最先进改性橡塑材料( FPO )经科学处理和精密加工而成
>防水带具有极高的粘结性能,现场无需活化,直接可以使用。
>合理设计能满足不只 一个方向上产生的不规则和较大位移变形。
>配套的潮湿固化亲水环氧胶粘剂( RE )具有优异的粘结强度;
>优异(低温)延伸性能,适应伸缩变形能力。
>飞马度压缩密封系统防水结合使用,具有极佳互补作用




>采用世界上最先进改性橡塑材料( FPO )经科学处理和精密加工而成
>防水带具有极高的粘结性能,现场无需活化,直接可以使用。
>合理设计能满足不只 一个方向上产生的不规则和较大位移变形。
>配套的潮湿固化亲水环氧胶粘剂( RE )具有优异的粘结强度;
>优异(低温)延伸性能,适应伸缩变形能力。
>飞马度压缩密封系统防水结合使用,具有极佳互补作用



